环评云助手
首页
监测云
公示平台
环评论坛
云商城
直播
云学苑
上传
法律法规规范
国家或地方标准
书籍文献资料
报告资料
其他类型资料
搜索
客户端
扫一扫下载APP
手机/电脑端下载
登录
|
注册
历史搜索
推荐热词
我要上传
环评云助手APP
扫码下载
环评云助手公众号
扫码关注
分类管理名录
排污许可名录
固废名录
产业代码
数据站点
术语查询
热点问答
AI审核
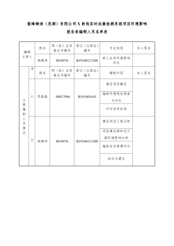
银峰铸造(芜湖)有限公司x 射线实时成像检测系统项目环境影响报告表公示132294893
公开
奔跑的小仓鼠
+ 关注
上传日期:2023-05-01
0
238
0
资料类型
报告资料
适用范围
/
文件日期
2014 - 2018
文件分类
环境相关报告-环评文库
文件预览
查看原文
版权说明:本文档由用户提供并上传,收益归属内容提供方,若内容存在侵权,请进行
举报
银峰铸造(芜湖)有限公司x 射线实时成像检测系统项目环境影响报告表公示132294893.pdf
【1016.2 KB】
支付100云贝
预览
相关推荐
1、福建佳通轮胎有限公司1台x射线实时成像检测系统环境影响报告表a49610a6862
【匹配度0.48】
2、关于东风精密铸造安徽有限公司《高频x射线线阵扫描实时成像检测系统应用项目环境影响报告表》受理公示a69845a1910
【匹配度0.44】
3、库伯(宁波)电气有限公司x射线实时成像检测装置项目533326199
【匹配度0.41】
4、1台x射线实时成像检测系统项目a12722a5716
【匹配度0.34】
5、190X射线实时成像检测系统报告表6873
【匹配度0.34】
猜你喜欢
1、GB15618-2018 土壤环境质量 农用地土壤污染风险管控标准 (试行)
2、HJ549-2016 环境空气和废气 氯化氢的测定 离子色谱法
3、GB12348-2008 工业企业厂界环境噪声排放标准
4、无 建设项目竣工环境保护验收技术指南 污染影响类
5、HJ482-2009 《环境空气二氧化硫的测定甲醛吸收—副玫瑰苯胺分光光度法》及修改单
评论
收藏
微信扫一扫
分享
评论
共
0
条评论
请先
登录
后发表评论
0
/150
发表评论
按热度排序
按时间排序
设为首页
| 版权©
尚云环境
|
京公网安备 11011402011579号
|
京ICP备17049511号-2
|
增值电信业务经营许可证:京B2-20200914
0/150