环评云助手
首页
监测云
公示平台
社区论坛
环评云商城
尚云环境
直播
云学苑
我要上传
法律法规规范
国家或地方标准
书籍文献资料
报告资料
其他类型资料
搜索
客户端
APP
扫一扫下载APP
手机/电脑端下载
登录
|
注册
历史搜索
推荐热词
我要上传
环评云助手APP
扫码下载
环评云助手公众号
扫码关注
分类管理名录
排污许可名录
固废名录
产业代码
数据站点
术语查询
热点问答
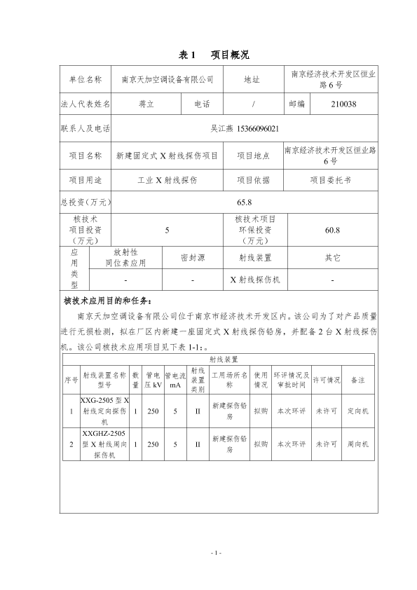
新建固定式x射线探伤项目
公开
奔跑的小仓鼠
+ 关注
上传日期:2023-05-01
0
123
0
资料类型
报告资料
适用范围
/
文件日期
2014 - 2018
文件分类
环境相关报告-环评文库
文件预览
查看原文
版权说明:本文档由用户提供并上传,收益归属内容提供方,若内容存在侵权,请进行
举报
新建固定式x射线探伤项目_862075.pdf
【1.3 MB】
支付100云贝
预览
相关推荐
1、新建固定式x射线探伤项目
【匹配度1.00】
2、搬迁固定式x射线探伤项目
【匹配度0.83】
3、新建固定式及移动式x射线探伤项目
【匹配度0.75】
4、新建固定式及移动式x射线探伤项目
【匹配度0.75】
5、新建一座固定式 x 射线探伤房项目
【匹配度0.71】
猜你喜欢
1、GB/T31962-2015 污水排入城镇下水道水质标准
2、HJ2.4-2009 环境影响评价技术导则 声环境
3、环办环评函〔2020〕688号 关于印发《污染影响类建设项目重大变动清单(试行)》的通知
4、HJ533-2009 环境空气和废气氨的测定 纳氏试剂分光光度法
5、中华人民共和国国家发展和改革委员会令第29号 产业结构调整指导目录(2019年本)
评论
收藏
微信扫一扫
分享
评论
共
0
条评论
请先
登录
后发表评论
0
/150
发表评论
按热度排序
按时间排序
设为首页
| 版权©
尚云环境
|
京公网安备 11011402011579号
|
京ICP备17049511号-2
|
增值电信业务经营许可证:京B2-20200914
0/150